○海部東部消防組合消防施設等設置指導要綱
平成2年3月17日
訓令第2号
第1 目的
この要綱は、消防法(昭和23年法律第186号)に定めるもののほか、消防水利等の設置及び中高層建築物における消防活動用空地等の確保により、消防活動を円滑に遂行し、住民の生命、身体及び財産を火災等の災害から保護することを目的とする。
第2 適用範囲
住宅計画戸数が20戸以上若しくは軒高9メートル以上の中高層建築物の建設又は1,000平方メートル以上の住宅地の造成に対して適用するものとする。なお、住宅以外の消防対象物は、開発面積7,000平方メートル以上を基準とする。
第3 消防水利
消防水利の種別は、防火水槽又は消火栓の2種類とする。
(1) 防火水槽は、国が行う補助の対象となる消防設備の基準額(昭和29年総理府告示第487号)に定める規格及び消防水利の基準(昭和39年消防庁告示第7号。以下「基準」という。)第3条第1項及び第6条に適合するもののほか、次によること。
ア 防火水槽は、開発面積10,000平方メートル以上又は住宅戸数50戸以上に1基設置するものとする。なお、防火水槽の構造は、原則として別図第1のとおりとする。ただし、消防本部との協議により、これと同等と認められる場合は、これによらないことができる。
イ 防火水槽の設置場所は、幅4メートル以上の道路に面し、かつ、消防車が容易に接近できる位置とすること。
ウ 防火水槽を軒高9メートル以上の建築物付近に設置する場合は、当該建築物から防火水槽の側端までに原則として10メートル以上の距離を保つこと。
エ 防火水槽は、地下式又は半地下式とする。なお、半地下式にあつては、当該防火水槽の天端は道路面から0.5メートル以下の高さとすること。
オ 防火水槽の吸管投入口は、道路側端から3メートル以内の位置に設置すること。
カ 無蓋の防火水槽を設けた場合は、腐食しない高さ1メートル以上の金網フェンスで区画し、吸管投入口を2箇所以上設置すること。
キ 防火水槽の設置場所等については、事前に消防本部と協議すること。
(2) 消火栓は、基準第3条第1項及び第6条に適合するもののほか、次によること。
ア 消火栓の構造は、原則として別図第2のとおりとすること。
イ 消火栓の位置区画を別図第3のとおり表示すること。
ウ 消火栓の設置場所等については、事前に消防本部と協議すること。
エ 消火栓の設置工事完了後、消防本部の水圧検査を受けること。
第4 消防水利標識
消防水利の標識は、別図第4により設置するものとする。
第5 消防用進入路及び消防活動用空地
消防用進入路及び消防活動用空地は、災害発生時において、はしご付消防ポンプ自動車(以下「はしご車」という。)が建築物に接近でき、かつ、有効な消防活動を行うことができるよう、次に適合するものであること。
(1) 消防用進入路
ア 進入路の幅員は、原則として6メートル以上とすること。
イ 進入路の上部6メートル以内には、はしご車の走行に支障のある工作物(架空電線を含む。)を設けないこと。
ウ 進入路に交差があるときは、接続道路の幅員に応じ別表により隅切を設けること。
エ 進入路の構造は、総重量20トンのはしご車が走行するに十分な地盤指示力(輸荷量5トン)を有し、かつ、路面はアスファルト舗装等とすること。
オ 進入路の縦断勾配は、10パーセント以下とすること。
カ 進入路を設置したときは、別図第5により消防隊等専用進入路標識を設置すること。
(2) 消防活動用空地
ア 消防活動用空地(以下「空地」という。)は、原則としてバルコニー側に設置するものとする。ただし、建築物の構造が、共同住宅等に係る消防用設備等の技術上の基準の特例(昭和50年消防安第49号)に示す二方向避難に該当する場合はこの限りでない。
イ 空地は、幅6メートル以上、長さ12メートル以上とし、長辺が建築物と平行になるように設けること。
ウ 空地の建築物との水平距離及び路面標示については、別図第6及び別図第6―2を参考にして確保すること。
エ 空地の地盤支持力はジャッキ荷重(8kg/1cmφ)に耐える構造とすること。
オ 空地の地下には、ガス管、水道管等の工作物を埋設しないこと。ただし、補強策を講じたときは、この限りでない。
カ 空地は、はしご車を全伸梯し、又は旋回するに支障となる工作物(架空電線を含む。)を設けないこと。
キ 空地の縦断、横断の勾配は5パーセント以下とすること。
ク 空地を設けたときは、別図第7により、はしご車専用の空地の標識を設けること。
第6 連結送水管
消防法施行令(昭和36年政令第37号)第29条の規定に基づく防火対象物の所有者、管理者又は占有者(以下「関係者」という。)は、自己の管理に係る連結送水管には送水口、放水口、貯水そう及び採水口を設けそれぞれ表示しなければならない。なお、連結送水管配管図は、原則として別図第8のとおりとする。
(1) 送水口
ア 結合金具は、呼称65の差込式の受け口を2口とする。
イ 受け口には、容易に破壊できる保護板を設けること。
ウ 送水口の設置位置は、放水口位置直近の直通階段に通じる主たる出入口付近で、前面道路から容易に識別できること。
エ 送水口の付近には、逆止弁を設けること。
オ 配管の最下部には、排水弁を設けること。
(2) 放水口
ア 結合金具は、呼称65の差込式の差し口とし、呼称50ミリの媒介金具を設けること。
イ 放水口は、直接階段又は階段の出入口から容易に識別できる5メートル以内の位置に設けること。ただし、階段等の出入口から5メートル以上離れた位置に設ける場合にあつては、階段出入口等に赤字に白文字の誘導標識を設けること。
ウ 放水口は、各階の同一垂直線上に設けること。
エ 放水口は、格納箱内に設けるものとする。
(3) 貯水そう及び採水口
ア 貯水そうの貯水量は、10立方メートル以上とする。
イ 貯水そうから採水口までの配管は、管径100ミリメートル以上の鋼管とすること。
ウ 採水口の結合金具は、呼称75ネジ式とし、1口設けること。
エ 採水口と送水口との距離は15メートル以内とすること。
(4) 表示
ア 送水口には、その直近の見やすい箇所に赤字に白文字又は白地に赤文字で「送水口(消防隊専用)」の表示をすること。
イ 格納箱には、「送水口(消防隊専用)」の表示を設けること。ただし、放水口を屋内消火栓箱内に設けたものにあつては、屋内消火栓箱に「放水口」の表示を併記すること。
ウ 格納箱の上部には、屋内消火栓設備に準じた赤色の灯火を設けること。ただし、屋内消火栓設備等の赤色の灯火が直近に設けてある場合は、兼用することができる。
エ 送水口の直近には、20センチメートル平方以上の大きさの基準階平面図に放水口の位置を記入した標識板を設けること。
(5) 高層建築物
ア 5階、7階及び9階には、口径50ミリメートルの20メートルホース1本及び筒先1本(噴霧ノズル式)を設けること。
イ 11階以上の奇数階には、口径50ミリメートルの20メートルホース2本及び筒先2本(噴霧ノズル式)を設けること。
第7 プール
容積が200立方メートル以上のプールの設置者は、当該プールに採水口及び表示を設けなければならない。
(1) 採水口
ア 採水口は、プールの最底部より管径150ミリメートル以上の鋼管で配管すること。
イ 採水口は、壁型及びスタンド型の双口採水口を2箇所以上設けること。
ウ 採水口の結合金具は、呼称75ネジ式とし、開閉バルブ内蔵とすること。
(2) 表示
採水口には、その直近の見やすい箇所に赤地に白文字で「採水口(消防隊専用)」の表示をすること。
第8 消防施設等設置
消防施設等の設置をしようとする関係者は、消防施設等設置届(別記様式)により、消防長に届け出なければならない。
第9 消防水利及び空地の維持管理
消防水利及び空地の関係者は、常に良好な状態で保持、管理し、当該設置基準に適合しなくなつた場合は、是正措置を行いその機能確保に努めるものとする。
附則
この要綱は、平成2年4月1日から施行する。
附則(平成5年訓令第2号)
この訓令は、平成5年4月1日から施行する。
附則(平成10年訓令第33号)
1 この訓令は、平成10年4月1日から施行する。
2 この訓令施行の際、改正前の海部東部消防組合消防施設等設置指導要綱に基づいて調整されている用紙で残量のあるものについては、当分の間この要綱による様式の要件を満たすように修正して使用することができる。
附則(令和元年訓令第25号)
この訓令は、公布の日から施行する。
附則(令和3年訓令第18号)
この訓令は、公布の日から施行する。
附則(令和6年訓令第2号)
この訓令は、公布の日から施行する。
別表(第5関係)
進入路隅切りの基本数値表
進入路(A) | 道路幅員(B) | 隅切(a) | 隅切(b) |
6.0 | 4.0 | 3.5 | 3.5 |
4.5 | 3.0 | 3.0 | |
5.0 | 3.0 | 2.2 | |
5.5 | 2.5 | 1.7 | |
6.0 | 2.0 | 1.5 | |
8.0 | 1.5 | 1.5 |
単位:メートル

道路(B)と進入路(A)が直角で交差する場合の数値を表し、屈角又は交差の状況に応じて隅切りの範囲を増減することができる。
別図第1(第3関係)
吸管投入口鉄蓋

防火水槽標準図

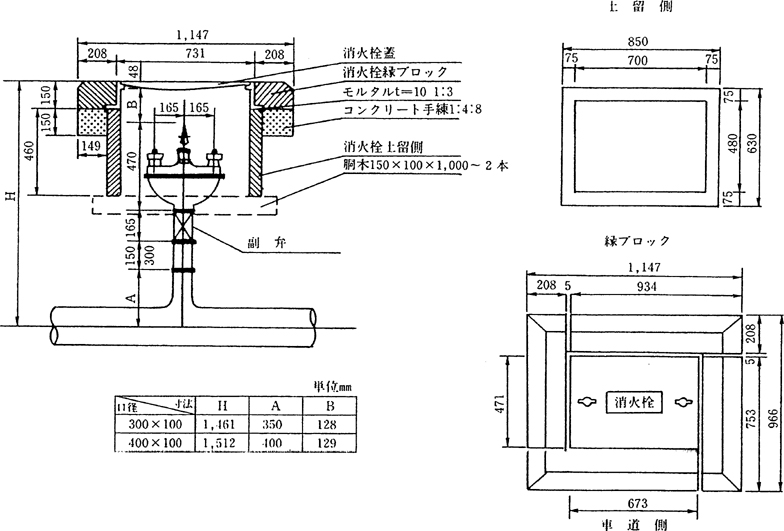
別図第2(第3関係)
消火栓の構造
1 単口消火栓
据付図

2 双口消火栓
据付図

別図第3(第3関係)
消火栓位置区画

(単位:mm)
区画表示方法
1 消火栓の外周には、15センチメートルの区画線を表示する。
2 区画線は、黄色塗料(JIS規格の5665B塗料)で塗布すること。
別図第4(第4関係)
消防水利標識

(単位:mm)
別図第5(第5関係)
消防隊等専用進入路標識

○ 地は黄、文字は黒、「緊急車」は赤、枠は赤、中央線は黒の各色とする。
別図第6(第5関係)
消防活動用空地の路面標示

○ ライン、文字ともに黄色(JIS規格の5665B塗料)を剥離防止塗布を施す。
○ マーキング幅は、すべて15センチメートルとする。
○ 文字は、縦書き又は横書きとする。
別図第6―2(第5関係)
37メートル級はしご車使用範囲図

別図第7(第5関係)
はしご車活動空地標識

○ 地は黄、文字は黒、「緊急時」は赤、枠は赤、中央線は黒の各色とする。
別図第8(第6関係)
連結送水管配置図



